Our Products

Bowl Feeding and Orientating
TC Automation bowls can be made of a range of materials, including stainless steel, aluminium, polyamide, with different coatings selected to suit the application.
Descriptions
Descriptions

Outline
NTB-61 is a model of vibratory bowl drives designed for medium or large parts feeding, featured in larger amplitude, balanced design, as well as integrated applications of controllable parameters, which is particularly suitable for the orientating, sorting and feeding of large or heavy parts.

Features
- Smoothly precisely controlled feeding speed and stability with frequency modulation controllers;
- Particularly suitable for the orientating, sorting and feeding of medium or large parts;
- Selected materials, comprehensive testing with high safety and good stability.
Specifications
| Model | Drive Mode | Vibrator Mass(kg) | Input Voltage(V) | Rated Currency(A) | Vibration Frequency(Hz) | Max.Bowl Diameter(mm) | Max Loaded Weight(kg) | Compatible Controller |
| NTB-61 | EM | 265 | 0~200 | 6 | 60~200 | 1000 | 65 | SDVC31-XL |
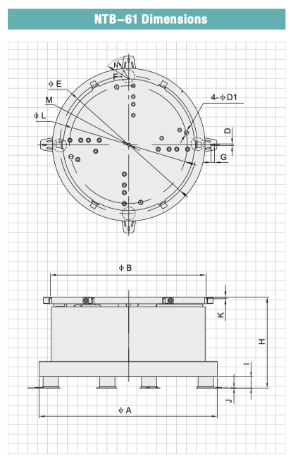
Dimensions
| Model | +A | +B | M | D | D+1 | +E | F | N | G | H | I | J | K | +L |
| NTB-61 | 700 | 610 | 16 | 8.5 | 20 | 630 | 90 | 78 | 16.5 | 357.5 | 45 | 2.5 | 6 | 540 |
Watch Our Video
Contact Us
Location
Botany, NSW, 2019, Australia
